單進風前傾式蝸殼麻豆直播免费版YWFF133
1.產品簡介
該款風輪直徑為133mm,由額定電壓為115V和230V,頻率為50Hz或60Hz的2極或4極單相電容電機組成,適用於不同的國家和地區以及對轉速有特殊要求的客戶,可輸送的最大風量為300m3/h。它由高效外轉子交流電機、鍍鋅鋼板蝸殼、多翼前傾式離心葉輪、免維護深溝球滾珠軸承、靜電粉末噴塑轉子組成。IP54或IP44防護等級、B級或F級絕緣等級、S1連續運作模式、內置過載熱保護器、產品都通過了美國UL和歐洲CE產品認證,防護等級為IP54和IP44,絕緣等級為B級和F級。具有使用壽命長、免維護、高效率、低功耗,高經濟性,設計緊湊,節省空間,美觀,低壓啟動等特點。產品廣泛適用於學校、醫院、賓館等場所的通風換氣,與各種通風櫃、風機箱、抽油煙機、工業製冷係統、除塵機等配套使用。
單進風前傾式麻豆直播免费版根據風機外形可分為蝸殼前傾式麻豆直播免费版和常規前傾式麻豆直播免费版兩種。蝸殼前傾式麻豆直播免费版共有120mm、133mm、140mm、150mm、160mm、180mm等六種,常規前傾式麻豆直播免费版有200mm、225mm、250mm、280mm、315mm、355mm、400mm、450mm等八種。
前一種風機主要采用鍍鋅鋼板或不鏽鋼板製成的蝸殼殼體、過載熱保護外轉子電機、高效離心葉輪等三部分組成,主要與各種通風櫃、風機箱、抽油煙機、工業製冷係統、除塵機組等配套使用。後一種風機由多翼前傾式離心葉輪和帶有過載熱保護外轉子的電機組成,多用於各種中央空調、新風係統、空氣淨化過濾設備、管道通風設備等。
麻豆APP下载入口麻豆直播免费版的分類、產品應用、風機結構、設計選用說明、風機型號說明、產品認證詳見:外轉子麻豆直播免费版YWF係列產品概述
2.技術參數
| 型號 | 額定電壓 | 頻率 | 額定電流 | 輸入功率 | 速度 | 最大風量 | 電容 | 噪音 | 曲線 |
| YWFF2E133L | 115 | 50/60 | 0.8/1 | 90/110 | 2050 | 250 | 8 | 65 | ① |
| 230 | 50/60 | 0.35/0.4 | 75/90 | 2000 | 250 | 2 | 65 | ||
| YWFF2E133H | 230 | 50/60 | 0.35/0.4 | 80/90 | 2000 | 300 | 2 | 67 | ② |
| YWFF4E133H | 230 | 50 | 0.24 | 50 | 1300 | 250 | 2 | 55 | ③ |
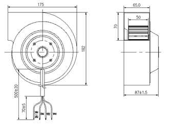
3.外形尺寸圖

4.風量風壓曲線圖








